-
WhatsApp:+86-15192742888 -
-
No.719,Dongyue Middle Road,Huangdao District,Qingdao,Shandong,China -
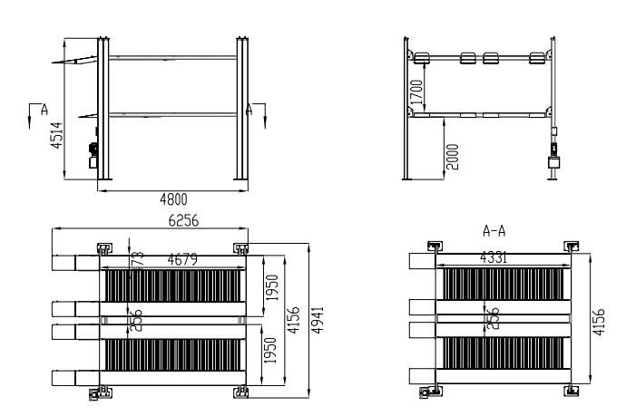
FOUR POST PARKING LIFT FOR 6 CARS
Technical Specifications
|
Name |
Four post parking lift for 6 cars |
|
Model |
PJS402 |
|
Dimension |
6256*4941*4514mm |
|
Lifting weight |
4000 kg ( 2 sedans / platform) |
|
Platform size |
1950mm*4 |
|
Lifting height |
2000+1700mm |
|
Cylinder quantity |
Single hydraulic cylinder/ platform |
|
Motor power |
4kw |
|
Rise/Drop Time |
70s/60s |
|
Control mode |
Electric control |
|
Operate mode |
Button /key |
|
Lock mode |
Electric lock |
|
Drive mode |
hydraulic and wire rope drive and keep balance |
|
Electric |
220-415V ,50/60 HZ, 1/3 phase |
|
Surface treatment |
Powder coated / hot-galvanize (can be choose) |
|
Size package |
4900*600*1400mm |
|
Weight |
1900KG |
Drawings

Qingdao Lanhai Shengyuan Machinery Equipment CO.,LTD is one of China\'s simple parking equipment manufacturer,
committed to provide the most suitable and cost effective parking system solutions to you.
As a manufacturer, we focus on quality and technical innovation. The company has passed the ISO 9001:2008 international quality system certification and the EU compulsory safety certification(CE).